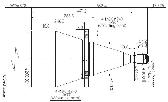
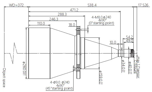
VA-LCM-TC-0-0.085X-WD372-110 Objectif télécentrique
VA-LCM-TC-0-0.085X-WD372-110
- Objectif Télécentrique C-mount
- magnification 0.085X
- taille du capteur 1.1 INCH
Objectif télécentrique
La série LCM-TELECENTRIC pour les capteurs 1.1” sont des objectifs télécentriques à côté de l'objet qui sont conçus pour des applications de mesure précises. L'objectif télécentrique est conçu pourles caméras monture C 5MP-20MP. La série comporte plusieurs grossissements et distances de travail afin de garantir que le champ de vision adéquat soit respecté pour chaque application.
Spécifications
| Numéro de pièce | VA-LCM-TC-0-0.085X-WD372-110 |
| Format d'image / cercle | 1.1" |
| Ouverture / iris | Fixed iris |
| Aperture (min) | F6.2 |
| Depth of field (DOF) | ±60.9mm |
| Distance minimale (MOD)- Max | 372mm |
| 372 | |
| Monture d'objectif | C |
| Dimensions | 260x538.4mm |
| Distorsion | < 0.1% |
| Champ de vision (FOV) | 166.9x122.1mm |
Vous avez une question à propos de VA-LCM-TC-0-0.085X-WD372-110 ?
Posez-nous votre question via
Option d'entrée de lumière coaxiale
La plupart des objectifs télécentriques, avec un grossissement de 0,5x ou plus, ont la possibilité d'une entrée de lumière coaxiale. Si le numéro de référence commence par VA-LCM-TC-1, l'objectif dispose d'une entrée de lumière coaxiale, tandis que s'il commence par VA-LCM-TC-0, l'objectif n'a pas d'entrée de lumière coaxiale.
L'entrée de lumière coaxiale est idéale pour éclairer des surfaces planes et brillantes, comme le métal et les circuits imprimés. Pour utiliser l'entrée de lumière coaxiale, nous recommandons notre spot LED VA-SLC-8MM-W-12V.
| Numéro de pièce | VA-LCM-TC-0-0.085X-WD372-110 |
| Format d'image / cercle | 1.1" |
| Ouverture / iris | Fixed iris |
| Aperture (min) | F6.2 |
| Depth of field (DOF) | ±60.9mm |
| Distance minimale (MOD)- Max | 372mm |
| 372 | |
| Monture d'objectif | C |
| Dimensions | 260x538.4mm |
| Distorsion | < 0.1% |
| Champ de vision (FOV) | 166.9x122.1mm |
| Grossissement | 0.085 |
Commentaires
-
8Les caméras sont un excellent rapport qualité/prix
Les appareils photo sont d'un excellent rapport qualité prix et les objectifs aussi. Le logiciel est obsolète et a besoin d'être actualisé. Il m'a fallu un temps considérable pour découvrir comment... Les appareils photo sont d'un excellent rapport qualité prix et les objectifs aussi. Le logiciel est obsolète et a besoin d'être actualisé. Il m'a fallu un temps considérable pour découvrir comment accéder aux fonctionnalités de la caméra.
-
10Matériel d'excellente qualité et fournisseur attentif et fiable
Dans la phase commerciale, nous avons eu un maximum de support et les délais de livraison ont été respectés. Le matériel est assez bon avec des coûts bas et compétitifs. Dans la phase commerciale, nous avons eu un maximum de support et les délais de livraison ont été respectés. Le matériel est assez bon avec des coûts bas et compétitifs.
-
10Livraison rapide de câble
J'avais commandé une caméra mais j'avais oublié d'inclure le câble requis. Le câble a été commandé et livré très rapidement. J'avais commandé une caméra mais j'avais oublié d'inclure le câble requis. Le câble a été commandé et livré très rapidement.
-
8Livraison rapide
Livraison rapide même sans payer la prime de rapidité Livraison rapide même sans payer la prime de rapidité
-
9Livraison rapide et bonne qualité!
Une très bonne entreprise, je continuerai à coopérer la prochaine fois! Une très bonne entreprise, je continuerai à coopérer la prochaine fois!
-
10Service rapide
Service extrêmement rapide. J'ai reçu la caméra le lendemain. Je recommande vivement le vendeur ! Merci ! Service extrêmement rapide. J'ai reçu la caméra le lendemain. Je recommande vivement le vendeur ! Merci !
-
8.5Bonne expérience
Top, bonne expérience. Très attentif et rapide à répondre. Produit arrivé en bon état. Top, bonne expérience. Très attentif et rapide à répondre. Produit arrivé en bon état.
-
8Bonne qualité et livraison rapide
Jusqu'à présent, tous les composants répondent aux attentes, mais ce serait formidable si des modèles 3D pour tous les composants étaient disponibles. Jusqu'à présent, tous les composants répondent aux attentes, mais ce serait formidable si des modèles 3D pour tous les composants étaient disponibles.
-
10Super support client, produits et prix
J'ai contacté GeT Cameras pour m'aider à choisir la meilleure caméra et objectif pour moi. Ils ont fourni un excellent support. J'ai commandé en express et j'ai reçu les produits 2 jours plus tard :) J'ai contacté GeT Cameras pour m'aider à choisir la meilleure caméra et objectif pour moi. Ils ont fourni un excellent support. J'ai commandé en express et j'ai reçu les produits 2 jours plus tard :)
-
9Très bons prix, excellent service, tout est génial
J'ai acheté pas mal de caméras auprès de ces gars-là, les prix sont excellents, le service est excellent, les délais de livraison du matériel sont également très bons. J'ai acheté pas mal de caméras auprès de ces gars-là, les prix sont excellents, le service est excellent, les délais de livraison du matériel sont également très bons.
-
10Super produits. Excellent support.
GeT Cameras en Allemagne a pris des photos de nos produits pour montrer la performance de leurs caméras et elles étaient parfaites. Récemment, nous avons acheté une caméra avec un objectif et des ... GeT Cameras en Allemagne a pris des photos de nos produits pour montrer la performance de leurs caméras et elles étaient parfaites. Récemment, nous avons acheté une caméra avec un objectif et des lumières LED. Nous ne sommes pas expérimentés en vision industrielle, mais l'installation s'est bien déroulée. Après l'installation dans notre laboratoire, nous avons été à nouveau surpris par la haute qualité des photos et la polyvalence de ce système. (options dans le visualiseur Galaxy et intégration en Python. Récemment, nous avons eu un problème avec le logiciel et le support client a pu nous fournir les informations pertinentes pour le résoudre en une journée. La prochaine fois que nous aurons besoin d'une caméra, nous ne chercherons pas d'autres fournisseurs mais contacterons GeT Cameras immédiatement.
-
10Super support et connaissance interne des caméras
Au début, j'étais un peu sceptique quant à l'achat de caméras industrielles en ligne. C'est une pièce critique pour notre machine. Pour le développement d'un nouveau produit, il y avait beaucoup de... Au début, j'étais un peu sceptique quant à l'achat de caméras industrielles en ligne. C'est une pièce critique pour notre machine. Pour le développement d'un nouveau produit, il y avait beaucoup de pression sur les prix. Nous avions besoin d'une caméra pas chère. Je les ai appelés et Caspar a fourni un excellent support. Il m'a même conseillé une caméra moins chère que celle que j'avais en tête. J'ai été surpris par les connaissances internes de get cameras sur la vision industrielle. Je ne m'attendais pas à cela d'un webshop. La qualité d'image et de construction de la caméra est également excellente. La caméra se sent et fonctionne de la même manière que nos caméras Basler.
-
10Super support par email
J'ai commandé une caméra USB3 20MP caméra incluant un objectif il y a 2 mois pour une application de lecture de code datamatrix application. Au début, j'étais sceptique à cause des prix bas, mais ... J'ai commandé une caméra USB3 20MP caméra incluant un objectif il y a 2 mois pour une application de lecture de code datamatrix application. Au début, j'étais sceptique à cause des prix bas, mais le support par email était excellent. Ils m'ont conseillé un objectif et fourni des informations techniques supplémentaires. Malheureusement, ils n'offrent pas de service de prêt, mais j'ai décidé d'essayer. J'ai reçu les caméras chez moi en 2 semaines et la connexion était facile. Le SDK ressemble au SDK de Basler, donc je me suis senti directement à l'aise avec. La caméra et le objectif étaient parfaitement assortis et maintenant je peux lire de petits codes DMC sur de grands produits avec juste une seule caméra.
-
10Super support lors de la sélection d'une objectif
Nous avons acheté un caméra 20MP et un objectif avec des tubes d'extension pour l'utiliser comme un microscope numérique dans notre laboratoire. Le support pour le choix d'un objectif était excel... Nous avons acheté un caméra 20MP et un objectif avec des tubes d'extension pour l'utiliser comme un microscope numérique dans notre laboratoire. Le support pour le choix d'un objectif était excellent. Connecter l'caméra USB3 était facile. Nous avons reçu tout à temps.
-
10Haute qualité
Composants et service de haute qualité ! Ma commande a été traitée rapidement et est arrivée plus tôt que prévu. Je le recommanderais. Composants et service de haute qualité ! Ma commande a été traitée rapidement et est arrivée plus tôt que prévu. Je le recommanderais.
-
10Il est important de disposer d’une équipe de travailleurs qualifiée et efficace pour acheminer les marchandises de manière efficace.
Entretenu une bonne relation et une très bonne communication du début à la fin pour acheter l'article. Entretenu une bonne relation et une très bonne communication du début à la fin pour acheter l'article.
-
9Produits et service client exceptionnels
Le personnel du service client était sympathique, facile à approcher et nous a aidés à sélectionner les produits appropriés qui correspondaient parfaitement à notre cas d'utilisation. Le personnel du service client était sympathique, facile à approcher et nous a aidés à sélectionner les produits appropriés qui correspondaient parfaitement à notre cas d'utilisation.
-
10Produits et service client exceptionnels
Get Cameras a eu la gentillesse de nous sponsoriser avec des équipements incroyables pour notre équipe étudiante de la RoboCup, les Delft Mercurians. Nous n'avons eu aucun problème avec les caméras... Get Cameras a eu la gentillesse de nous sponsoriser avec des équipements incroyables pour notre équipe étudiante de la RoboCup, les Delft Mercurians. Nous n'avons eu aucun problème avec les caméras, elles fonctionnent comme annoncé et nous ont permis de poursuivre le projet et l'entreprise nous a globalement apporté un soutien considérable. Le personnel du service client était sympathique, facile à approcher et nous a aidés à sélectionner les produits appropriés qui correspondaient parfaitement à notre cas d'utilisation.
-
8Interaction client parfaite
Bon site et interaction client parfaite. Bon site et interaction client parfaite.
-
10Produits livrés plus tôt que promis
Les produits commandés ont été livrés plus tôt que promis, tous les articles commandés étaient inclus dans le colis et nous n'avons eu aucun problème pour les faire fonctionner (les caméras fonctio... Les produits commandés ont été livrés plus tôt que promis, tous les articles commandés étaient inclus dans le colis et nous n'avons eu aucun problème pour les faire fonctionner (les caméras fonctionnent avec le logiciel ci-joint et avec Matlab).
-
10Support support, livraison rapide et bon produit.
J'ai apprécié que votre équipe m'ait aidé à choisir l'équipement nécessaire selon ma description. Les articles que j'ai commandés correspondent exactement à ce que je recherchais. J'ai apprécié que votre équipe m'ait aidé à choisir l'équipement nécessaire selon ma description. Les articles que j'ai commandés correspondent exactement à ce que je recherchais.
-
10Des réponses rapides à de nombreuses questions
Des réponses rapides à nos nombreuses questions. Une bonne sélection de caméras malgré des pénuries ailleurs dans l'industrie et nous avons pu spécifier certaines de ces caméras pour faire avancer ... Des réponses rapides à nos nombreuses questions. Une bonne sélection de caméras malgré des pénuries ailleurs dans l'industrie et nous avons pu spécifier certaines de ces caméras pour faire avancer les projets. Nous continuons à acheter régulièrement.
-
10Réponses rapides et bonne sélection de caméras
Des réponses rapides à nos nombreuses questions. Une bonne sélection de caméras malgré des pénuries ailleurs dans l'industrie et nous avons pu spécifier certaines de ces caméras pour faire avancer ... Des réponses rapides à nos nombreuses questions. Une bonne sélection de caméras malgré des pénuries ailleurs dans l'industrie et nous avons pu spécifier certaines de ces caméras pour faire avancer les projets. Nous continuons à acheter régulièrement chez Get-Cameras.
-
10Expédition rapide et excellent service client
Le service client est rapide, amical et serviable, l'expédition est rapide et la qualité des caméras et des accessoires est excellente. Le logiciel fourni est également très utile, notamment des ex... Le service client est rapide, amical et serviable, l'expédition est rapide et la qualité des caméras et des accessoires est excellente. Le logiciel fourni est également très utile, notamment des exemples de codage pour implémenter les caméras dans nos systèmes.
-
10Expédition rapide et excellent service client
Le service client est rapide, amical et serviable, l'expédition est rapide et la qualité des appareils photo et des accessoires est excellente. Le logiciel fourni est également très utile, notammen... Le service client est rapide, amical et serviable, l'expédition est rapide et la qualité des appareils photo et des accessoires est excellente. Le logiciel fourni est également très utile, notamment des exemples de codage pour implémenter les caméras dans nos systèmes.
-
9Produit qui nous convient
Nous possédons déjà plusieurs de vos caméras. Ce sont uniquement pour le stock. Puisque nous les mettons en stock, cela signifie que nous en sommes satisfaits. Seul le délai de livraison est un peu... Nous possédons déjà plusieurs de vos caméras. Ce sont uniquement pour le stock. Puisque nous les mettons en stock, cela signifie que nous en sommes satisfaits. Seul le délai de livraison est un peu plus long.
-
10Très bon rapport qualité/prix
La caméra est arrivée à l'heure et produit d'excellentes images. Très bon rapport qualité-prix. Le SDK facilite grandement l'acquisition d'images dans un programme que j'ai écrit moi-même en utilis... La caméra est arrivée à l'heure et produit d'excellentes images. Très bon rapport qualité-prix. Le SDK facilite grandement l'acquisition d'images dans un programme que j'ai écrit moi-même en utilisant C++Builder (environ 2 heures de programmation).
-
10Service client très serviable
Nous avions besoin d'une vision caméra pour notre projet de toute urgence. Ils ont pu la livrer en quelques jours. Ils ont également répondu rapidement à mes e-mails lorsque j'avais besoin de suppo... Nous avions besoin d'une vision caméra pour notre projet de toute urgence. Ils ont pu la livrer en quelques jours. Ils ont également répondu rapidement à mes e-mails lorsque j'avais besoin de support. Ils m'ont envoyé un article sur la façon d'installer rapidement la caméra et de régler les paramètres les plus importants. C'était très utile et en une demi-heure, nous avions une bonne image en direct. Nous avons également commandé la objectif qu'ils ont conseillée. Elle fournit une image nette et claire.
Ressources de Vision et d'Automatisation
-
Page FAQFAQ
Les questions les plus courantes sont déjà répondues sur notre page FAQ. Questions sur les délais de livraison, la garantie, le prêt, les retours, la longévité, les manuels, etc.
-
DécouvrirLogiciel d'Imagerie
Le logiciel de traitement d'image capture les images d'une caméra industrielle et effectue des tâches complexes de traitement d'image telles que la segmentation, la détection, la lecture de codes et de textes.
-
DécouvrirCentre de connaissances
Nous partageons notre savoir sur la vision industrielle dans notre centre de connaissances. Trouvez des tutoriels sur la façon de connecter des caméras, d'installer des logiciels et de programmer les entrées/sorties.
-
DécouvrirApplications de Vision industrielle
Regardez comment nos clients utilisent nos caméras industrielles, objectifs et éclairages dans leur application.
-
Parlez-nousExperts en Vision industrielle
Demandez à nos experts en vision industrielle ! Nous répondons rapidement et réfléchissons en accord avec votre projet d'imagerie.
-
DécouvrirTéléchargements
Le logiciel de traitement d'image capture les images d'une caméra industrielle et effectue des tâches complexes de traitement d'image telles que la segmentation, la détection, la lecture de codes et de textes.